References: CPE380 Pipelined Design
The lecture slides as a PDF
provide a good overview of everything and including a Verilog
implementation showing how things are done in
approximate detail. I don't expect students to be able
to work with the pipelined design in as much detail as I
expected for the single-cycle design; there are way too many
options and interactions.
The book also does a nice job on this... if you have any
doubts, it's a great reference for most of this. I don't expect
you to be able to design a state-of-the-art pipelined
architecture from our quick and somewhat superficial coverage,
but you should have a basic understanding of:
-
Basic pipelining
-
Dividing a single-cycle design into equal-delay stages,
adding buffers between stages
-
Control by moving single-cycle control signals
through the pipe stages along with data
-
Pipeline performance and the concepts associated with pipeline
bubbles (NOP insertion, hardware interlocks)
-
The MIPS pipeline discussed in class and in the text
-
The concepts of VLIW and "superscalar" pipelining --
feeding multiple pipelines simultaneously
-
Structural hazards & how to fix them (e.g., add hardware)
-
Data dependence issues:
-
Read-after-write dependences and value forwarding
-
Write-after-write and write-after-read dependences
and register renaming
-
compile-time code scheduling and
hardware scheduling (out-of-order execution)
-
Control dependence issues:
-
Computation of branch target addresses (from offsets),
delayed branches, and BTBs (Branch Target Buffers)
-
Branch prediction; always not-taken, always taken, always taken
AND not taken, always taken if backward, compiler-marked
instructions for branch-usually-taken or
branch-usually-not-taken, and history schemes (e.g., using a
Branch History Buffer -- BHB) such as the two-bit (four state)
predictor discussed in class
-
The issues involving side-effects for instructions that
were incorrectly executed (incorrectly predicted)
-
The concepts of how to structure a Verilog implementation of a
pipeline, especially the "owner computes" concept
-
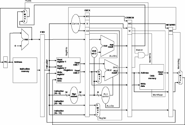
How to make sense of pipeline structures in processor
architecture diagrams like:
Computer Organization and Design.